LPS9702G系列是纽琳克通信专为工业通信网络应用而设计开发的2口二层千兆/百兆非网管型嵌入式工业级光纤收发器,符合本质安全型设计需求。具有低功耗、防短路、防起火等特点。适用于煤矿、石油石化、化工等行业。该产品支持1个千兆/百兆光口和1个千兆电口,。支持1路DC9~60V宽压电源输入,电源支持防反接、缓启动、过流及过压保护,采用嵌入式安装方式,满足多种网络现场的需求。每个千兆电口具有10/100/1000M自适应功能,支持全双工或半双工方式,并能自动进行MDI/MDI-X连接,为工业自动化提供有力的保障,使工业通信顺畅、可靠、稳定,满足客户为提高附加值应用而不断创新的需求。硬件采用无风扇、本安型、宽温设计,工业级元器件,支持-40~+75℃工作温度,电源符合本安电路设计标准要求,通过严格的安规与EMC测试,满足严酷的工业环境应用需求。产品可广泛适用于工业自动化、综合能源、智能交通、智慧城市、智慧矿山等领域。
支持1路千兆光口或者1路百兆光+1路千兆电口,支持1路DC9~60V宽压电源输入,符合本质安全型设计需求。具有防短路、防起火等特点。
硬件采用无风扇、低功耗、-40℃~+75℃宽温宽压设计,通过符合行业标准的严格测试,能够适应对EMC有严酷要求的工业现场环境,产品符合FCC、CE标准,根据工业4级要求设计。
产品可广泛适用于工业自动化、综合能源、智能交通、智慧城市、智慧矿山等领域。
| 型号 | LPS9702G |
| 接口 |
电口数量:1个10/100/1000M自适应以太网接口 光口规格:单模/多模、单纤/双纤可选 光口数量:1个100M或者1个1000M光 光口支持SC/ST/FC可选 |
| 通信距离 |
网口距离:最远100M; 百兆光口:单模通信距离20-120KM可选,默认20KM; 多模1310nm通信2KM; 千兆光口:单模通信距离20-120KM可选,默认20KM; 多模1310nm通信1KM,多模850nm通信500M; |
| 交换特性 |
背板带宽:1Gbps 包转发速率:1Mpps 包缓存区:96KB MAC地址表:支持2K个MAC地址 |
| 电源 |
输入电压: 直流机型:DC9~60V 接口类型:工业凤凰端子5芯5.08间距 保护:支持电源防反接保护/过载保护 最大功耗:<1W 电源指示:POWER,接口灯指示:li |
| 机械结构 |
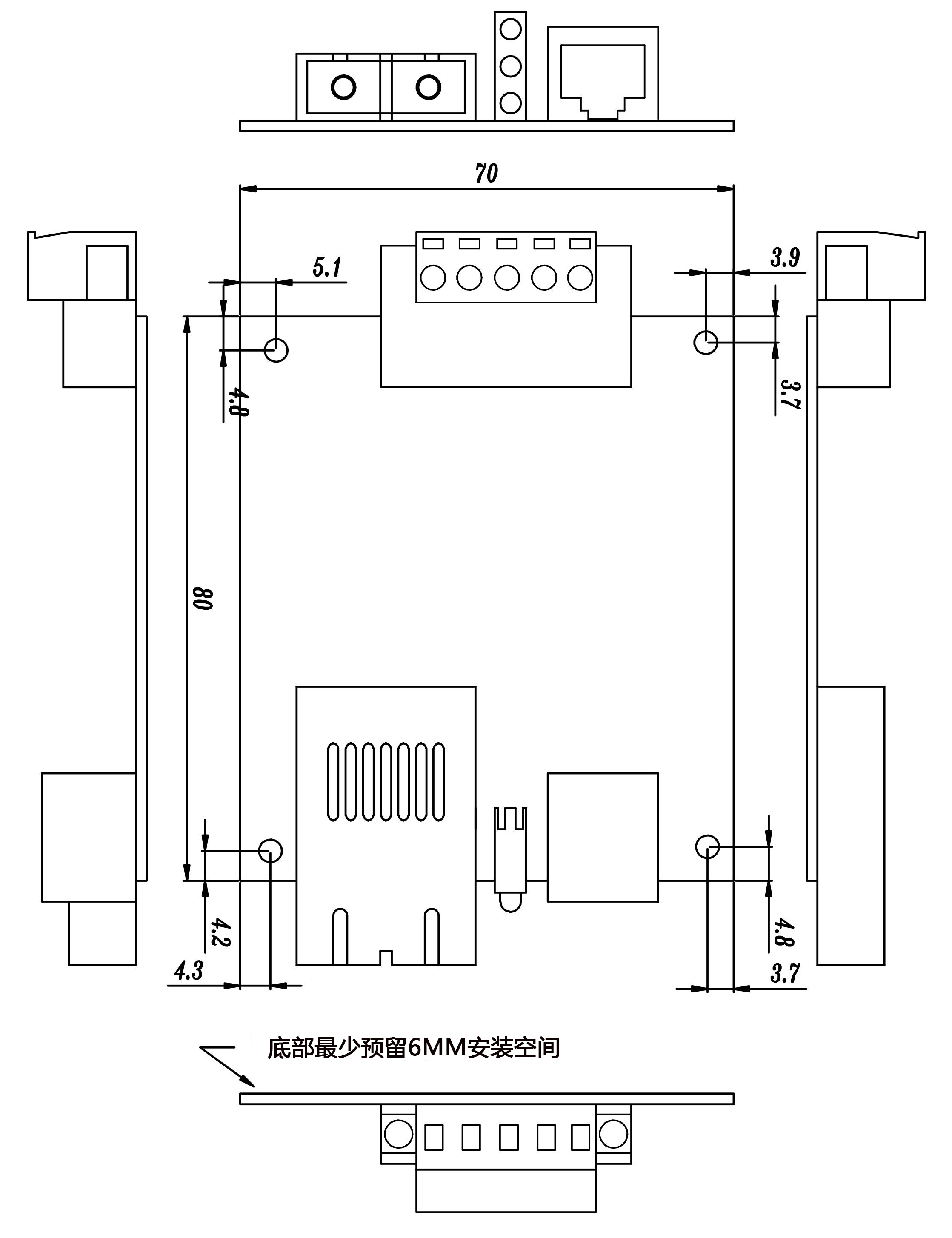
安装方式:嵌入式安装 散热方式:自然冷却,无风扇 外形尺寸:80×70×18(mm)(不含连接器尺寸) |
| 工作环境 |
工作温度:-40℃~+75℃ 存储温度:-55℃~+85℃ 相对湿度:5%~95%无凝露 |
| 质保 |
MTBF:350000小时 质保期:5年 |
| EMC |
EMI: CFR47FCC Part 15B CE EN55032:2015 EN61000-3-2:2014(电源谐波) EN61000-3-3:2013(电源变动) |
|
EMS: IEC61000-4-2(ESD) ±8kV(contact)±15kV(air) IEC61000-4-3(RS) 10V/m(80MHz~2GHz) IEC61000-4-4(EFT) Power Port:±4kV;Data Port:±2kV IEC61000-4-5(Surge) Power Port:±2kV/DM±4kV/CM;Data Port:±2kV IEC61000-4-6(CS) 3V(10kHz~150kHz);10V(150kHz~80MHz) IEC61000-4-16(共模传导) 30V(cont.)300V(1s) |
|
| 符合标准 |
IEEE802.3:CSMA/CD IEEE802.3i:10ba IEEE802.3u:100ba IEEE802.3ab:1000ba IEEE802.3z:1000ba IEEE802.3x:全双工以太网数据链路层流控 机械: IEC60068-2-6(振动) IEC60068-2-27(冲击) IEC60068-2-32(自由跌落) |

| 型号 |
100ba |
10/100/1000ba (X)端口RJ45接口 |
光纤通信距离 | 电源 |
| LPS9702G-AS-ZM20 | 1个百兆单模双纤SC接口 | 1 | 20KM(远距离可选) | DC9~60V输入 |
| LPS9702G-AS-RM20 | 1个百兆单模双纤ST接口 | 1 | 20KM(远距离可选) | |
| LPS9702G-AS-TM20 | 1个百兆单模双纤FC接口 | 1 | 20KM(远距离可选) | |
| LPS9702G-AM-ZM02 | 1个百兆多模双纤SC接口 | 1 | 2KM | |
| LPS9702G-AM-RM02 | 1个百兆多模双纤ST接口 | 1 | 2KM | |
| LPS9702G-AM-TM02 | 1个百兆多模双纤FC接口 | 1 | 2KM | |
| LPS9702G-SF-ZM20 | 1个百兆单模单纤SC接口 | 1 | 20KM(远距离可选) | |
| LPS9702G-SF-RM20 | 1个百兆单模单纤ST接口 | 1 | 20KM(远距离可选) | |
| LPS9702G-SF-TM20 | 1个百兆单模单纤FC接口 | 1 | 20KM(远距离可选) | |
| LPS9702G-MF-ZM02 | 1个百兆多模单纤SC接口 | 1 | 2KM | |
| LPS9702G-MF-RM02 | 1个百兆多模单纤ST接口 | 1 | 2KM | |
| LPS9702G-MF-TM02 | 1个百兆多模单纤FC接口 | 1 | 2KM |
| 型号 |
1000ba |
10/100/1000ba (X)端口RJ45接口 |
光纤通信距离 | 电源 |
| LPS9702G-GS-ZM20 | 1个千兆单模双纤SC接口 | 1 | 20KM(远距离可选) | DC9~60V输入 |
| LPS9702G-GS-RM20 | 1个千兆单模双纤ST接口 | 1 | 20KM(远距离可选) | |
| LPS9702G-GS-TM20 | 1个千兆单模双纤FC接口 | 1 | 20KM(远距离可选) | |
| LPS9702G-GM-ZM02 | 1个千兆多模双纤SC接口 | 1 | (1310nm)1KM | |
| LPS9702G-GM-RM02 | 1个千兆多模双纤ST接口 | 1 | (1310nm)1KM | |
| LPS9702G-GM-TM02 | 1个千兆多模双纤FC接口 | 1 | (1310nm)1KM | |
| LPS9702G-GSF-ZM20 | 1个千兆单模单纤SC接口 | 1 | 20KM(远距离可选) | |
| LPS9702G-GSF-RM20 | 1个千兆单模单纤ST接口 | 1 | 20KM(远距离可选) | |
| LPS9702G-GSF-TM20 | 1个千兆单模单纤FC接口 | 1 | 20KM(远距离可选) | |
| LPS9702G-GM-ZM5 | 1个千兆多模双纤SC接口 | 1 | (850nm)500M | |
| LPS9702G-GM-RM5 | 1个千兆多模双纤ST接口 | 1 | (850nm)500M | |
| LPS9702G-GM-TM5 | 1个千兆多模双纤FC接口 | 1 | (850nm)500M |
| 名称 |
|---|