|
IEEE标准 |
802.3i、802.3u、802.3ab、802.3z、802.3ae、802.3ad、802.3x、802.1p、802.1Q、802.1w、802.1s等 |
|
交换功能 |
支持VLAN、GVRP 支持端口限速,支持风暴抑制 支持端口汇聚 支持端口流控 |
|
冗余技术 |
支持VRRP、EAPS 支持NLK-Ring环网技术 支持MSTP/RSTP,兼容STP |
|
组播技术 |
支持IGMP v1/v2/v3, IGMP Snooping 支持GMRP 支持静态组播,支持PIM-SM、PIM-DM |
|
路由技术 |
支持RIPv1/v2、RIPng、OSPFv1/v2 支持静态路由协议 |
|
服务质量管理 |
支持ACL,对L2-L7层数据进行过滤 支持SP,WRR队列调度 |
|
管理与维护 |
支持Console,Telnet,WEB管理方式,RMON 支持SNMPv1/v2c,可通过MaxView集中管理 支持FTP,TFTP文件传输及软件升级
支持失电告警、电源告警、端口告警、环网风暴告警 IP支持DHCP server/relay/client |
|
交换方式 |
存储转发 |
|
MAC地址表 |
16K |
|
缓存大小 |
1.5Mbit |
|
传输方式 |
存储转发 |
|
传输距离 |
100M (标准CAT5/CAT5e线缆) |
|
接口 |
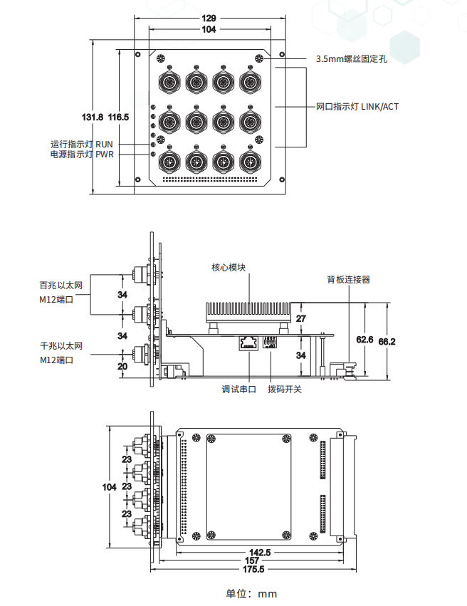
百兆电口:port5-12通过M12 D-coded 4芯母头形式引出,port13-16支持百兆通过背板连接器引出。 千兆电口:Port1-4通过M12 X-coded 8芯母头引出 |
|
浪涌 |
Power Port:±2kV/DM,±2kV/CM Data Port:±2kV/DM,±2kV/CM |
|
电源参数 |
输入电压:DC24V 输入功耗:10W@24V(MAX) 接线端子:09062486826(哈丁连接器弯脚插座) |
|
机械参数 |
物理尺寸(长×宽×高):157mm×104mm×116.5mm 外壳:无 重量:0.65kg |
|
工作环境 |
工作温度:-40℃~+70℃ 存储温度:-40℃~+85℃ 湿度:5%~95%(无凝露) |

|
型号 |
规格 |
电源 |
|
Penticos3316bp |
工业级三层4个10/100/1000M电口+12个10/100M电口车载板卡交换机 |
DC24V |
| 名称 |
|---|